Podrobné informace k produktu
Podávací systém SRC400/SLL400/BP25/PK/NS
Kompletní podávací systém středně velkých dílů bez koncové jednotky s plnícím pasovým bunkrem 20 litrů.
Kruhový vibrační zásobník s pohonem RNA SRC-N 400. Pravé provedení.
- Podstavná trojúhelníková deska RNA ULJ400 uchycení podavače ke stolu pomocí 3 šroubů. Možnost změny výšky +-10mm.
- Adaptérová deska radiálního uchycení třídícího hrnce RNA AAG-R400.
- Nerezový třídící hrnec stupňovitý. Orientace dílů dle požadavků.
- Vylepeno povrchem HABASIT 1mm.
- Obrobený výstupní element pro přesný výstup dílů do lineární lišty.
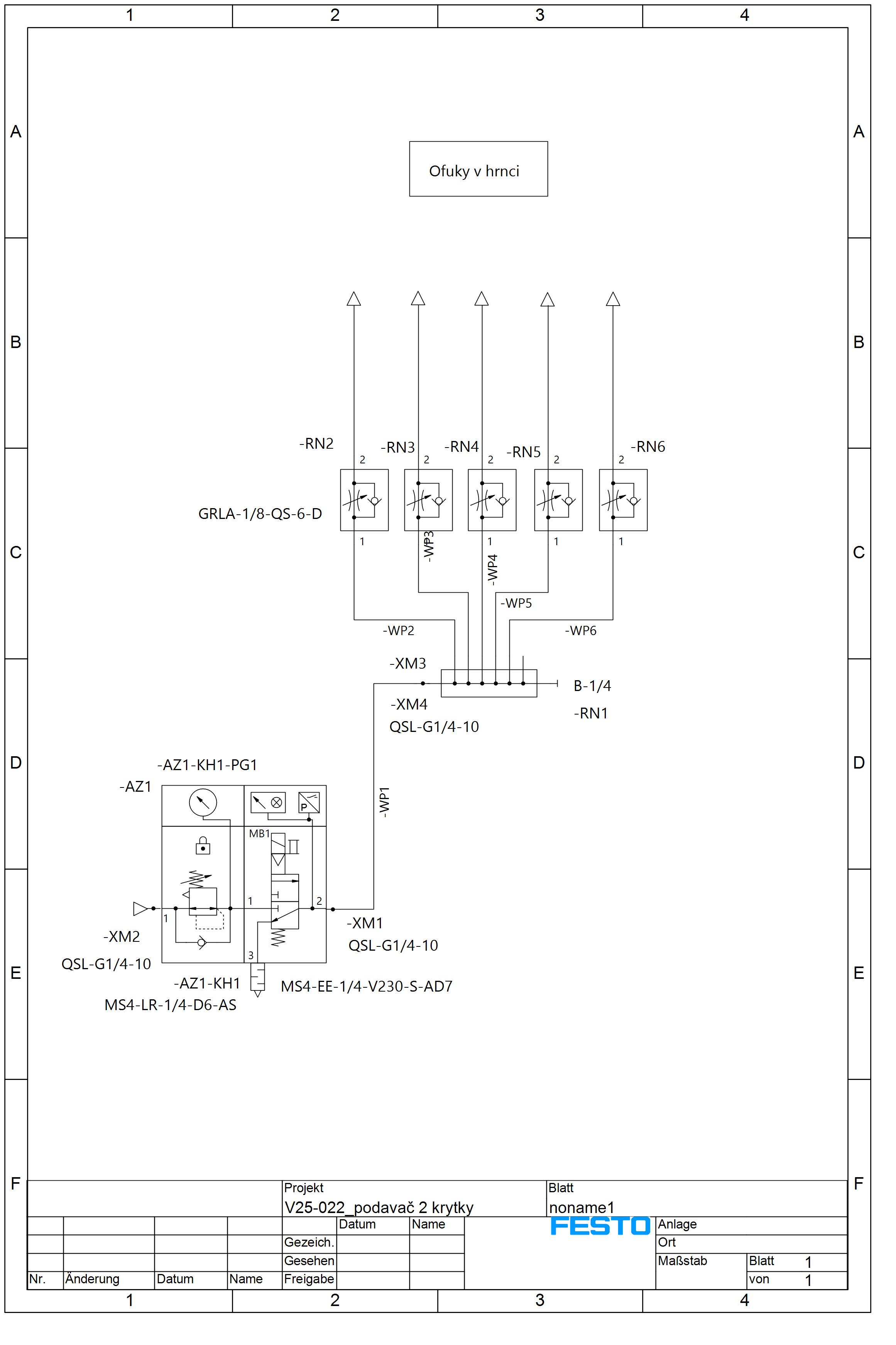
- K třídění dílů může být využit stlačený vzduch. Jednotka úpravy stlačeného vzduchu. Spínací a škrtící ventil. Redukční ventil.
Lineární vibrační lišta pro akumulaci zorientovaných dílů.
- Délka tratě 500mm.
- Pohon lišty RNA SLL400-400. Včetně stojanu.
- Vodící elementy nerezové nebo nitridovaná ocel. Možnost jednoduchého otevření lišty.
- Snímání hladiny dílů pomocí optické závory Balluff.
- Výstup dílů do koncové jednotky separace dílů.
Pasový bunkr RNA o kapacitě 25 litrů.
- Zásoba dílů pro plnění kruhového vibračního podavače.
- Pohon vestavěným jednofázovým elektromotorem.
- Včetně podstavné konzole s možností otočení bunkru do stany.
- Včetně čidla hladiny v podavači a čidla vyprázdnění bunkru.
Řízení podávacího systému sdruženým regulátorem RNA ESK 2002.
- Tento vícekanálový regulátor je schopen zajistit řízení chodu celého podávacího systému.
- Koncová jednotka je řízena nadřízeným systémem zákazníka.
- EPLAN dokumentace. Komunikace přes logické signály 24V (signál Start + Přesun koncové jednotky).
Protihlukový kryt vibračního zásobníku 400.
- Plexi kryt horní části s průchodem dílů.
- Odnímatelný.
Základní ocelový stůl.
- Celý systém usazen na hlavním ocelovém stole.
- Tvar je možné uzpůsobit potřebám zástavby.
- lakováno odstínem dle přání zákazníka.